本文链接: http://www.60547772.com/product/56.html
橡胶接头生产工厂【淞江集团】营业执照证书
淞江集团ISO9001-2008证书
【检验报告】EPDM橡胶接头含量
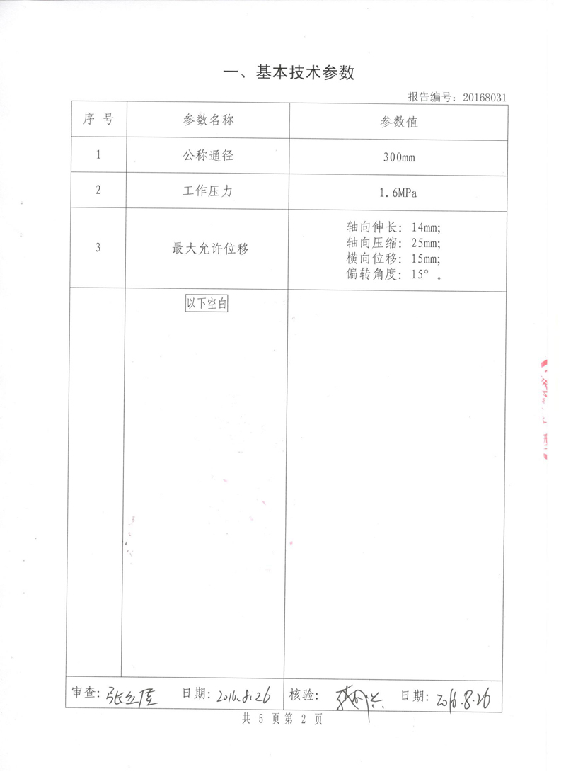
【试验报告】JGD型水泵橡胶减震器压缩性能检测